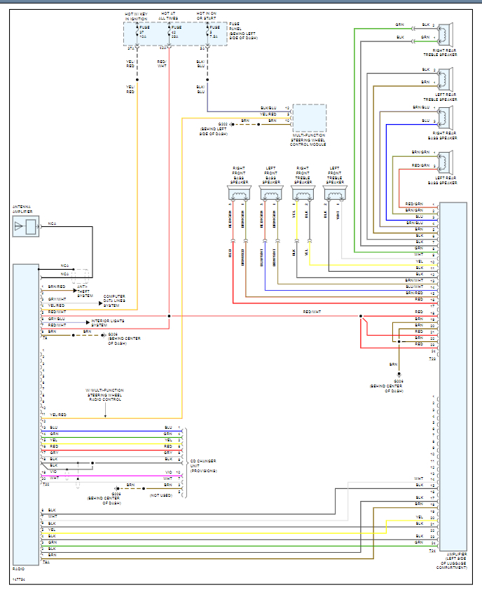
dual xvm279bt wiring diagram
Dual Car Stereo Wiring Diagram : Car Stereo Wiring Guide Quality Mobile. 9 Images about Dual Car Stereo Wiring Diagram : Car Stereo Wiring Guide Quality Mobile : Dual Xvm279bt Wiring Diagram – Wiring Diagram Pedia, 39 Dual Model Xvm279bt Wiring Diagram - Wiring Diagram Online Source and also 54 Dual Xvm286bt Wiring Harness - Wiring Diagram Plan.
Dual Car Stereo Wiring Diagram : Car Stereo Wiring Guide Quality Mobile

manualzz
Dual Stereo Deck Wiring Diagram - Gallery 4K

46 Dual Xdm290bt Wiring Diagram - Wiring Diagram Source Online
39 Dual Xvm286bt Wiring Diagram - Wiring Diagram Online Source

54 Dual Xvm286bt Wiring Harness - Wiring Diagram Plan

2014ok jeanjaures37 obdii outputs inputs expanded
Dual Stereo Deck Wiring Diagram - Wiring Diagram

stereo caraudionow
39 Dual Model Xvm279bt Wiring Diagram - Wiring Diagram Online Source

mp3
Dual Xvm279bt Wiring Diagram – Wiring Diagram Pedia
mp5 harness bypass installation camaro rav4 7012b artoel rossler
Specifications, Wiring Diagram | Champion Power Equipment 100157 User

champion equipment power diagram wiring
Mp5 harness bypass installation camaro rav4 7012b artoel rossler. Stereo caraudionow. 46 dual xdm290bt wiring diagram