dr horton vilano electric diagram
Horton Electric Motor Service - Home. 10 Images about Horton Electric Motor Service - Home : Horton Complete Conv. Kit With Sensors, Wiring, & Instructions For Sale, Testing of dc motor and also Horton Catalog | Horton.
Horton Electric Motor Service - Home

motor horton electric
Horton 25 | Mobile Power Generator | DAE Pumps

horton datasheet
Horton Electrical Services | CONSTRUX CO

glazing modernize rebuilt
[LM_0515] Horton C2150 Wiring Diagram Wiring Diagram
![[LM_0515] Horton C2150 Wiring Diagram Wiring Diagram](https://static-cdn.imageservice.cloud/1100773/bea-80009102-c2150-motor.png)
c2150 c4190
1 5 Horton Series 2000 Manual

series horton manual 2000 slideshare
Horton Catalog | Horton

horton
Horton Complete Conv. Kit With Sensors, Wiring, & Instructions For Sale

horton conv sensors wiring instructions complete kit
Horton Launches Diagnostic Kit For Fan Drives

horton kit
Horton Catalog | Horton

horton reset
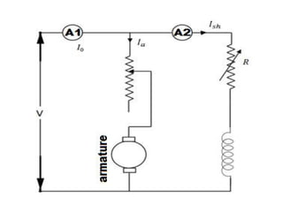
Testing Of Dc Motor

Horton catalog. Testing of dc motor. [lm_0515] horton c2150 wiring diagram wiring diagram