diagram of car headlight adjustment
How to replace a low beam headlight bulb on a 2007 town car. 16 Images about How to replace a low beam headlight bulb on a 2007 town car : Uk Headlight Alignment | British Automotive, An Introduction to Headlight Layouts and also Need to replace headlight assembly (driver/passenger sides). Is it a do.
How To Replace A Low Beam Headlight Bulb On A 2007 Town Car

headlight town beam lincoln low replace assembly 2007 headlamp bulb signature ford
Headlights Not Working Properly: When My Headlights Turn On

Uk Headlight Alignment | British Automotive

headlight headlights alignment chart adjust lights instructions diagram light restoration step barracuda beam automotive test vehicle proper
Headlights Not Working Properly: The Headlights In My Vehicle Went...

headlights properly working
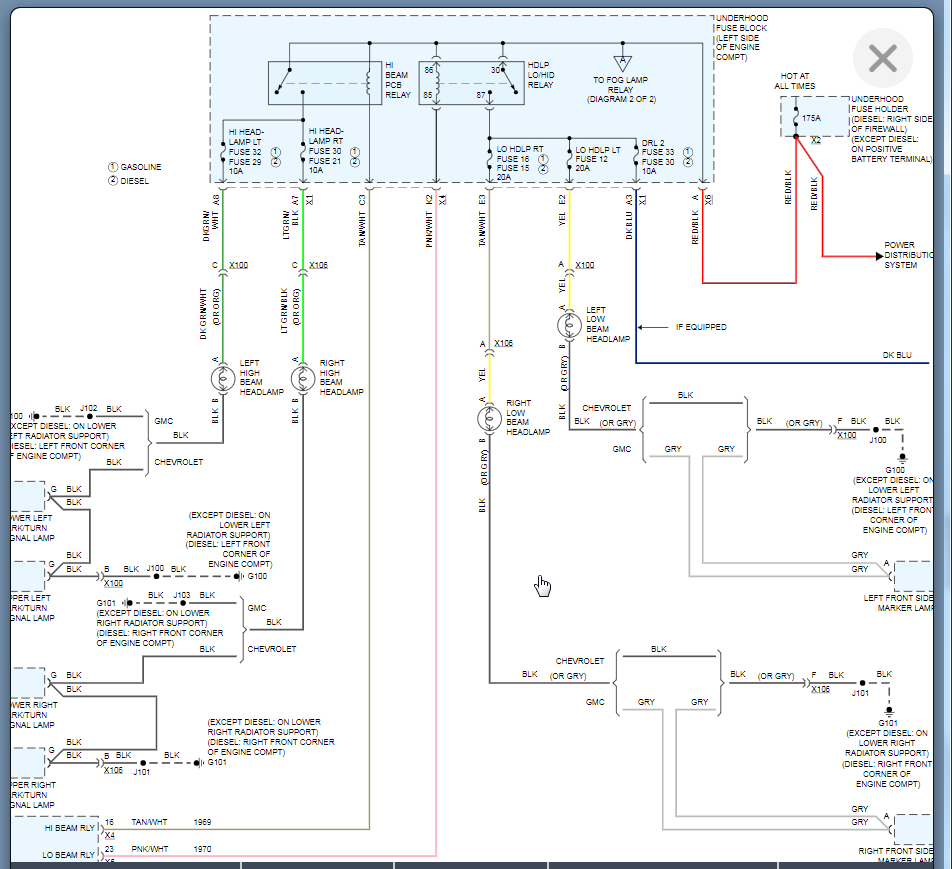
1997 Subaru Legacy Wiring Diagram

subaru wiring diagram legacy headlight outback 1997 1996 2005 2001
Need To Replace Headlight Assembly (driver/passenger Sides). Is It A Do

How To Adjust Headlights Without Jacking Up The Auto Level?

jacking adjust headlights level without pm
Headlight And Components

headlight
Audi TT 2002 Main Fuse Box/Block Circuit Breaker Diagram » CarFuseBox

audi fuse tt box diagram 2002 q7 main quattro 2009 breaker circuit block carfusebox
How Do I Remove And Replace My Headlight Assembly, 1997 Ford F350

f350
Patent US4236099 - Automatic Headlight System - Google Patents

patents headlight
2006 Nissan Altima Body Parts Diagram - Drivenhelios

nissan altima 2006 engine 5l intake manifold removal diagram 2002 procedure collector parts body plugs nissanhelp position
Headlights Not Working Properly: When My Headlights Turn On

headlights properly
PEUGEOT 107 Wiring Diagrams - Car Electrical Wiring Diagram

aygo
How To Adjust The Headlights?: I Have Been To Numerous Websites

headlights corolla toyota adjust enlarge 2007
An Introduction To Headlight Layouts

headlight headlights parts layout unit introduction order place
Headlight town beam lincoln low replace assembly 2007 headlamp bulb signature ford. Headlights properly. Patents headlight