carbureted engine vacuum diagram
1998 BMW M3 3.2L MFI DOHC 6cyl | Repair Guides | Vacuum Diagrams. 11 Pictures about 1998 BMW M3 3.2L MFI DOHC 6cyl | Repair Guides | Vacuum Diagrams : | Repair Guides | Carbureted Fuel System | Carburetor | AutoZone.com, 1998 BMW M3 3.2L MFI DOHC 6cyl | Repair Guides | Vacuum Diagrams and also 1998 BMW M3 3.2L MFI DOHC 6cyl | Repair Guides | Vacuum Diagrams.
1998 BMW M3 3.2L MFI DOHC 6cyl | Repair Guides | Vacuum Diagrams

vacuum diagrams 1989 0l diagram 1992 engine v8 lines repair mercruiser 1983 gm manual 2l autozone chevy 7l 4l marine
Repair Guides

vacuum diagram s10 tbi hose 1988 engine routing pump air 4x4 3l repair fig diagrams guide federal
Repair Guides

vacuum hose 1979 diagrams routing repair pontiac engine transmission bbl guide schematic fig autozone manual 1983 vin cu models
| Repair Guides | Vacuum Diagrams | Vacuum Diagrams | AutoZone.com

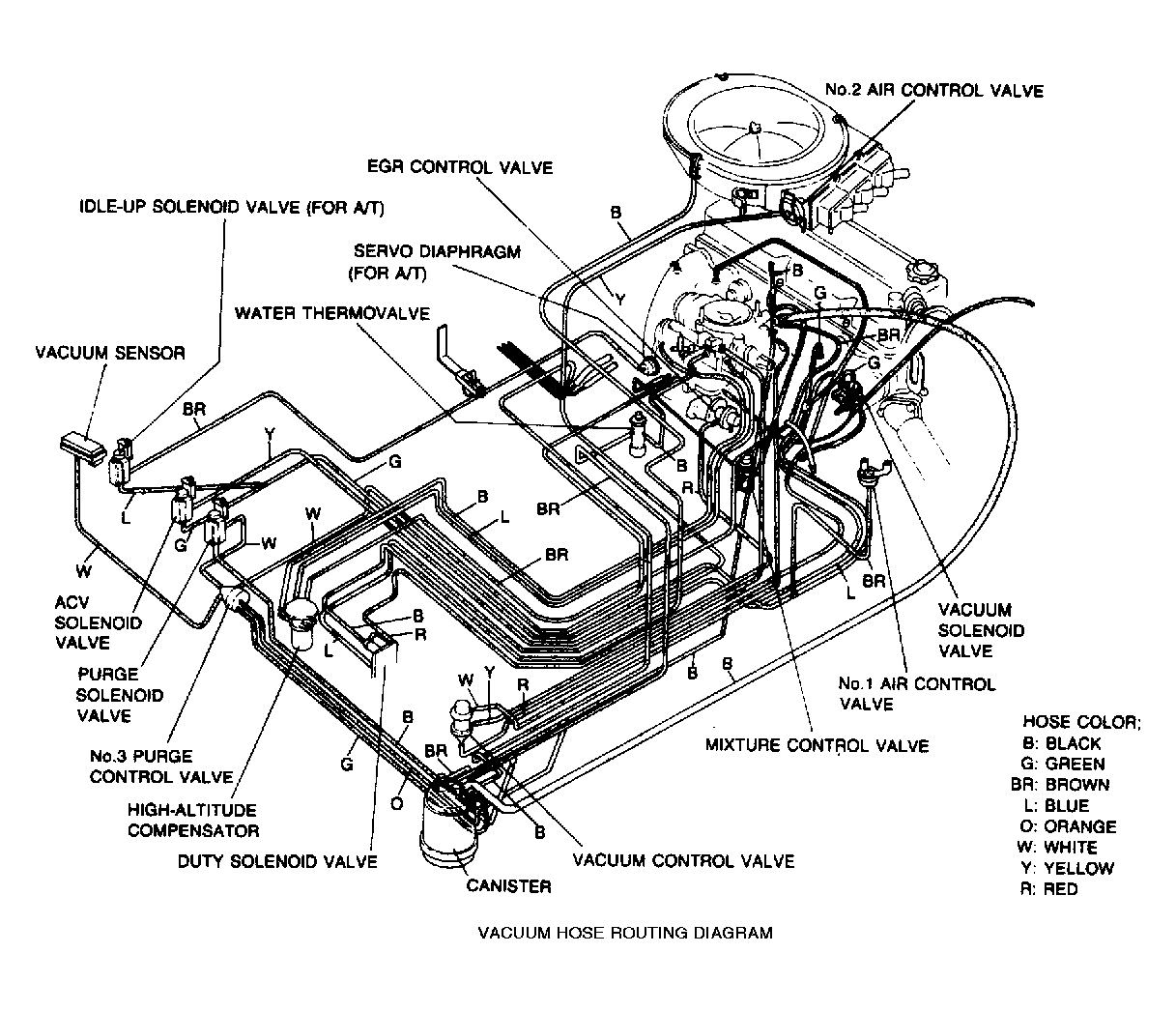
vacuum diagram mpv escape 2002 ford hose routing 0l line engine diagrams system mazda repair fig equipped autozone exhaust wiring
Need Vacuum Hoses Diagrams 1989 Toyota Corolla - Fixya

corolla engine toyota diagram 1996 need sedan factory service lr2 lr3 rover repair land fixya vacuum manuals epc carbureted california
Repair Guides

vacuum repair tbi 5l 1986 1985 diagrams guide camaro 1992 1982 gm autozone fig
Carburetors And Engine Vacuum Parts | Jerry Capizzi's Cappy Collection

| Repair Guides | Carbureted Fuel System | Carburetor | AutoZone.com

carburetor fuel toyota corolla system carbureted 1987 autozone repair fig 3c late
2001 Pontiac Grand Prix 3.8L FI OHV 6cyl | Repair Guides | Vacuum

vacuum diagram corvette engine v8 chevy diagrams carburetor 1974 1975 repair 350 hose routing ford 1976 air bbl block 1979
| Repair Guides | Carbureted Fuel System | Carburetor | AutoZone.com

carburetor carter autozone repair vacuum yf jeep
Engine Vacuum Lines: I Have A 1992 Mazda B2200 And I Was Wondering...

vacuum mazda b2200 1992 lines diagram engine control valve wondering wiring
Vacuum diagram corvette engine v8 chevy diagrams carburetor 1974 1975 repair 350 hose routing ford 1976 air bbl block 1979. Carburetors and engine vacuum parts. Repair guides