car audio battery fuse diagram
Unimog Wiring Diagram | schematic and wiring diagram. 17 Pictures about Unimog Wiring Diagram | schematic and wiring diagram : [EASY] How To Setup Dual Batteries For Car Audio! - YouTube, Car Audio 100 Amp Resettable Fuse Circuit Breaker Car Protect for Audio and also Fuse box diagram Nissan Qashqai j10 j11 and relay with assignment and.
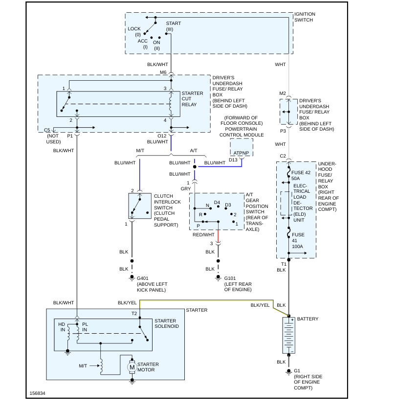
Unimog Wiring Diagram | Schematic And Wiring Diagram

unimog flu419
Battery Fuse 100 Amp Keeps Blowing: My Car Shut Off While I Was

SOLVED: Need A Wiring Diagram For 2001 Dodge Stratus Se - Fixya

stratus fixya
Hooked Up Battery Wrong: First. All Fusible Links And Fuses

hooked wrong battery
12 Volt Automotive Fuse Box - Wiring Diagram Schemas

fuse 15a kohree 10a
How To Source & Add A 12v Ignition Live Circuit From A Vehicles Fusebox

12v fusebox fuse voltages multimeter
JCB 3CX 4CX BACKHOE LOADER SERVICE MANUAL 2 - Auto Electrical Wiring

jcb loader backhoe manual 4cx 3cx pivot diagram parts spare arms service 777parts
Fuse Box Diagram Renault Scenic 2 And Relay With Assignment And Location

fuseandrelay
TheSamba.com :: Type 1 Wiring Diagrams

thesamba
2002 Ford Explorer Fsue Box Diagram – Auto Fuse Box Diagram

fsue
Radio/Amp Fuse Wiring Schematic: Hi, I Have The Vehicle Listed

Radio/Amp Fuse Wiring Schematic: Hi, I Have The Vehicle Listed

fuse schematic wiring radio amp
Honda Civic 2001 Main Relay Fuse Box/Block Circuit Breaker Diagram

fuse civic honda box diagram relay 1998 horn 1999 dx 1997 2001 where breaker circuit 2000 condenser main block shuts
Fuse Box Diagram Nissan Qashqai J10 J11 And Relay With Assignment And

qashqai fuse j11 j10 relay
Car Audio 100 Amp Resettable Fuse Circuit Breaker Car Protect For Audio

[EASY] How To Setup Dual Batteries For Car Audio! - YouTube
![[EASY] How To Setup Dual Batteries For Car Audio! - YouTube](https://i.ytimg.com/vi/gIR71mFLH6U/maxresdefault.jpg)
battery wiring diagram bebop dual batteries audio setup
Battery Fuse 100 Amp Keeps Blowing: My Car Shut Off While I Was

Jcb 3cx 4cx backhoe loader service manual 2. Fuse 15a kohree 10a. Radio/amp fuse wiring schematic: hi, i have the vehicle listed