audi a4 engine diagram 30
Audi A4 gasoline engines diagrams :: Engine Diagram. 17 Pics about Audi A4 gasoline engines diagrams :: Engine Diagram : Audi A4 gasoline engines diagrams :: Engine Diagram, Audi Part Engine Diagram / Audi A4 Engine Parts Diagram Wiring Diagram and also 2002 Audi A4 30 Quattro Engine Diagram.
Audi A4 Gasoline Engines Diagrams :: Engine Diagram

engines bfb cylinders avj
Please Help. Reverse Jump And No Cannot Start 2001 Audi A4 - AudiWorld

fuse audi box a4 diagram a6 a3 location radio wiring b5 2005 b8 fuses 2001 2003 c5 c6 layout stereo
Audi A4 Engine Codes

Audi A3 (2015) - Fuse Box Diagram - Auto Genius

audi fuse a3 diagram box tts panel 8v coupe instrument fuses info autogenius power control
1996 Audi A4 Engine Turns Does Not Start

audi a4 turns 1996 engine does start coil testing
2002 Audi A4 30 Quattro Engine Diagram

quattro camshaft moved
Wiring Schematic Diagram: January 2013

diagram wiring audi schematic air a4 1997 fan conditioning ac relay january system sensor control temperature blower
Where Is The Fuel Pressure Regulator Located On A 2001 Audi Allroad And

audi 2001 fuel pressure regulator located where diagram allroad 2009
Audi Part Engine Diagram / Audi A4 Engine Parts Diagram Wiring Diagram
oem
VWVortex.com - Help Pls. 2007 Passat Rear O2 Sensor Wiring Color Coles

sensor o2 wiring 2007 passat pls coles rear help joking feynman surely mr re
[8L] Fehler 17608 Und 17705? - Audi A3 Forum Für Tuning, Probleme Und Hilfe
![[8L] Fehler 17608 und 17705? - Audi A3 Forum für Tuning, Probleme und Hilfe](http://farm5.staticflickr.com/4035/4411150985_e2ba604b2a_o.gif)
Engine For 2005 Audi A4 | Audi Parts Store

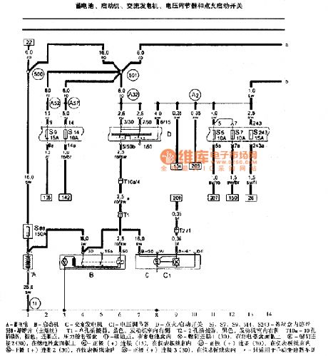
Index 1078 - Circuit Diagram - SeekIC.com

audi a4 circuit diagram engine seekic 0l keyword robert published author
Audi A4 1.8T Engine Circuit - Automotive_Circuit - Circuit Diagram

audi a4 engine 8t circuit seekic diagram keyword robert published author golf
2002 Audi A4 30 Quattro Engine Diagram

cooler
Fuse Box Diagram Audi A4 (B8), 2007 - 2015

relays fuses
31 Audi A4 Coolant System Diagram - Wiring Diagram Database

diagram engine hose coolant audi system a4 vacuum acura legend vaccum ej25 wiring olds 2833 wrg turbo line
2002 audi a4 30 quattro engine diagram. Diagram engine hose coolant audi system a4 vacuum acura legend vaccum ej25 wiring olds 2833 wrg turbo line. Audi a4 1.8t engine circuit